专注品质流水线厂家专为地区企业服务
全国咨询热线:13966733396
联系我们
13966733396

手机:{site:mobile}

邮箱:lixu@28ec.com

地址:高新技术园岐山路1号 亿华科研中心6楼

当前位置:首页 > 助力机械手 > 导轨助力机械手

导轨助力机械手

产品详情

合肥导轨助力机械手

导轨助力机械手,常规情况下需配合轨道使用,本身刚性结构,相对于柔性葫芦吊,装配更方便。相对于硬臂机械手,转动过程中,不会发生重心改变,整体更稳定,而且整体更显小巧,对于空间狭小,硬臂式助力机械手摆动不开的工位,可用风腾导轨助力机械手来实现。

 

特性:

 

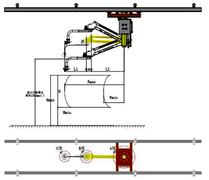
主要配置为:钢结构、轨道系统、轨道动力系统、助力机械手系统四大部分。

(1)钢结构覆盖区域(Lz*Dz*Hz)可根据客户现场需求定制,其主要作用为固定轨道系统,影响轨道的行程距离;根据现场情况,若现场存在其他钢结构可借用或可以采用吊顶,机械手钢结构可以取消。

(2)轨道系统作用:增加机械手左右前后行程距离,由此增大机械手的工作区域

轨道系统分类:主要为铝合金轨道和KBK铸铁轨道

铝合金轨道的滑动摩擦较小,所以同种条件下使用铝合金轨道的机械手牵引力较小,人工牵引机械手左右前后移动比较轻松,且铝合金轨道不易产生锈蚀,为无尘车间使用首选。

KBK铸铁轨道价格较铝合金轨道有比较大的优势,对生产节拍无高需求,使用频率不高的情况采用此型轨道较为合适。

(3)轨道驱动系统:对于承重较重的情况时,轨道系统需增加驱动系统,根据轨道系统不同可选择:

铝合金轨道系统:可选择驱动系统由两种

①气动马达驱动系统②电动马达驱动系统

KBK轨道系统可使用的轨道系统暂时只有电动马达驱动系统。

 

 根据现场空间及现场条件可以选择多种方式,以达到最佳效果,机械手为满足一台多工位使用需求,操作灵活轻便,大大降低了多工位的劳动成本,减轻工位劳动强度。

 

负载150KG以内硬臂式机械手可以做到气动平衡系统,该系统可以实现不必另行操作按钮即可做到三维空间曲线运动。 硬臂式助力机械手可以实现提升最大500Kg的工件,半径最大可以达到3000mm,提升高度最大1800mm。

 

安全防护:系统配有储气罐,可在断气情况下继续使用一个循环。并设有安全系统,在搬运过程中或是工件没有被放置在安全表面时,操作者不能释放工件。

 

作业时的灵活性与精密性较高,可完成一般平衡器的三倍工作量。

 

根据客户工件及现场情况进行夹具定制,多种特制的夹具可以实现机械手运用于多种行业及环境。

 

机械手相关参数(上下行程、最高点、最低点、半径等)都可以根据现场要求做调整定制,以达到现场的最佳使用状态。

 

断气保护系统,安全可靠;使用节能能源,精益节约;操作简单轻便,易于维护

标签:

联系方式

竞流装备技术

电话:13966733396

地址:高新技术园岐山路1号 亿华科研中心6楼


相关产品/ RELATED PRODUCTS